日期:2019-05-20 20:42:16
点击:



|
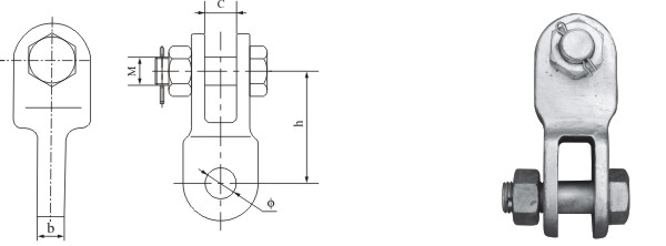
天恒型号
|
主要尺寸(mm)
|
标称破坏
荷重(kN) |
重量(kg)
|
||||
|
Φ
|
b
|
C
|
h
|
M
|
|||
|
ZBD-12S
|
24
|
16
|
20
|
100
|
22
|
120
|
1.5
|
|
ZBD-32S
|
33
|
28
|
32
|
136
|
30
|
320
|
5.0
|
|
ZBD-42S
|
39
|
32
|
38
|
145
|
36
|
420
|
7.1
|
|
ZBD-64S
|
45
|
36
|
42
|
150
|
42
|
640
|
8.6
|
|
ZBD-84S
|
51
|
36
|
44
|
180
|
48
|
840
|
15.1
|

|
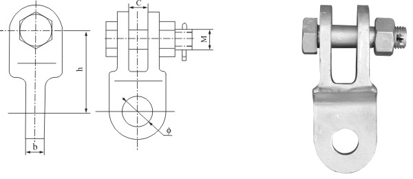
天恒型号
|
主要尺寸(mm)
|
标称破坏
荷重(kN) |
重量(kg)
|
||||
|
Φ
|
b
|
C
|
h
|
M
|
|||
|
ZBD-07-80
|
18
|
16
|
20
|
80
|
16
|
70
|
0.9
|
|
ZBD-07/10-80
|
18
|
16
|
20
|
80
|
18
|
70
|
1.1
|
|
ZBD-07/12-80
|
18
|
16
|
20
|
80
|
22
|
70
|
1.3
|
|
ZBD-07/21-90
|
18
|
16
|
24
|
90
|
24
|
70
|
2.2
|
|
ZBD-?10-80
|
20
|
16
|
20
|
80
|
18
|
100
|
1.1
|
|
ZBD-10/12-80
|
20
|
16
|
20
|
80
|
22
|
100
|
1.3
|
|
ZBD-10/16-90
|
20
|
16
|
22
|
90
|
24
|
100
|
2.2
|
|
ZBD-10/21-90
|
20
|
16
|
24
|
90
|
24
|
100
|
2.5
|
|
ZBD-12-90
|
24
|
16
|
20
|
90
|
22
|
120
|
1.5
|
|
ZBD-12/25-110
|
24
|
16
|
28
|
110
|
27
|
120
|
3.5
|
|
ZBD-16-90
|
26
|
18
|
22
|
90
|
24
|
160
|
2.5
|
|
ZBD-16/21-90
|
26
|
18
|
24
|
90
|
24
|
160
|
2.6
|
|
ZBD-16/32-120
|
26
|
18
|
32
|
120
|
30
|
160
|
4.4
|
|
ZBD-21-90
|
26
|
20
|
24
|
90
|
24
|
210
|
2.8
|
|
ZBD-25-110
|
30
|
24
|
28
|
110
|
27
|
250
|
3.9
|
|
ZBD-32-120
|
33
|
28
|
32
|
120
|
30
|
320
|
5.0
|
|
ZBD-16100
|
26
|
18
|
22
|
100
|
24
|
160
|
1.8
|
|
ZBD-21100
|
26
|
20
|
26
|
100
|
24
|
210
|
1.9
|
|
ZBD-32135
|
33
|
28
|
32
|
135
|
30
|
320
|
4.9
|
|
ZBD-42150
|
39
|
32
|
38
|
150
|
36
|
420
|
7.1
|
|
ZBD-64150
|
45
|
36
|
42
|
150
|
42
|
640
|
8.6
|
TAG标签:
ZBD直角挂板